Edelstahl Wandanker mit 6 mm Platte - 56 mm - Edelstahl V2A
                                                13,68 €
                                                                                        rc-dual-price.labelNet: 11,50 €
                                    
    
                                    
Sofort verfügbar, Lieferzeit: 3-5 Werktage
                                            
                            Produktnummer:
                        
                    
                                            
                        
                            WA.200/50
                        
                                    
                        Produktinformationen "Edelstahl Wandanker mit 6 mm Platte - 56 mm - Edelstahl V2A"
                        
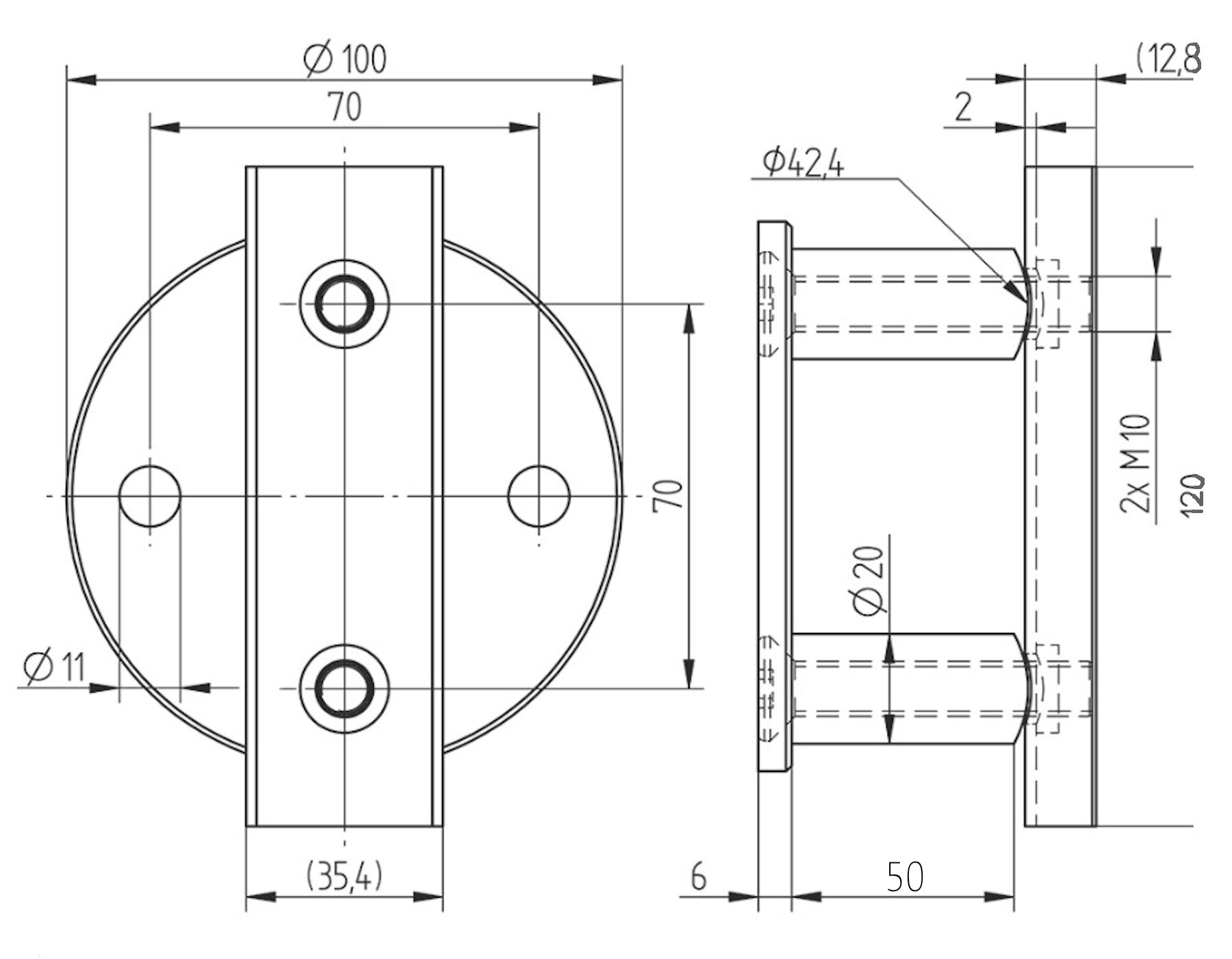
Wandanker mit runder Anschlussplatte 100 x 6 mm,
für Rohranschluss 42,4 mm,
aus Edelstahl V2A (AISI 304),
geschliffen
mit Schrauben M10,
Bohrungen Ø 11 mm,
Hülse 50 mm
                    
                
                                                                für Rohranschluss 42,4 mm,
aus Edelstahl V2A (AISI 304),
geschliffen
mit Schrauben M10,
Bohrungen Ø 11 mm,
Hülse 50 mm
| Anschluss: | Ø 42,4 mm | 
|---|---|
| Material: | Edelstahl V2A | 
| Wandabstand: | 56 mm |